2023年8月27日  双馈风力发电实验系统,双馈风力发电实训装置
SBXNY-SK05T双馈风力发电实验系统
 
一、产品概述
			双馈风力发电实验系统采用变速恒频控制的双馈异步发电机组,可以完成大功率双馈风电机组的风力机模拟和运行操作训练。

此图为双馈加直驱系统(仅限参考)
二、产品特点
			Ø 
			
			模拟真实风力发电机的启动、并网、正常运行和停机过程,具备模拟机组变速调节能力,有功、无功的调节能力;
			Ø风速模型不仅可设定典型几种风速曲线,支持导入实际测量得到的风速―时间数据;
			Ø 
			FaceView实验主控软件执行机组运行状态流程控制和数据记录、显示、系统监控等功能;
			Ø实现风速和风力机模拟,机组并网控制,机组最大功率运行控制,机组恒速运行,机组限功率运行,机组低电压穿越,机组脱网控制等控制功能;
			Ø背靠背变流器可实现直流侧电压的初始状态进行设定,实现单位功率因数并网,实现风力发电机在故障条件下不Ø脱网运行,低电压穿越的功能,支持风机的低电压穿越实验;
			Ø软件分析风力发电的数据与运行特性,能够显示异常时的故障原因;
			Ø 
			RS485接口,提供开放式MODBUS规约接入监控系统;
			Ø完善的保护功能,包括过电压保护、过电流保护、过温保护、超速保护、短路保护,可以实现低电压穿越以及外接电源电压不稳定时保护实验;
注:带醒目的危险标识,如:有电危险、运行时请勿打开、严谨带电操作等。

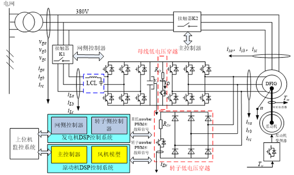
双馈实验系统结构图
三、系统运行技术参数
			3.1 
工作条件
² 输入电压:三相四线~380V±10%  50Hz
²装置容量:≤5.0kW
(38)海拔:0~2000m;
(39)环境温度:-10℃~+50℃;
(40)环境相对湿度: 10~90%(25℃);
(41)大气压力范围:1个标准大气压范围;
(42)室内安装;
(43)平台必须水平安装;
(44)设备正常使用年限:≥20年;
(45)环境要求:环境通风良好,不含易燃、腐蚀性气体;
			3.2 
			实验平台的基本尺寸:
²实验台:1400×400×400;(长×深×高,mm)
²变流器:800×800×2000;
²主控柜:800×800×2000;
注:实验平台分两排布置,预计占地面积 4m×4m
			3.2 
			定制双馈变流器系统
风电变流器包括双馈风机变流器、全功率变流器和PWM整流器,均为我司自主研发,根据高校和研究所客户要求定制开发,具有功能完善、产品可靠、开放性强、保护严格等特点。

双馈风电机组图及变流器内部图
模拟风力发电系统的变流器由AC-DC-AC PWM变换器来实现,前级交流输入可选接入交流/直流电网,根据设定的风速,将相应能量注入到直流母线上,后级交流输出接交流母线,将输入的能量注入到配电/微电网。该变流器为定制产品,根据用户的要求设计,功能特点如下:
(46)机侧矢量控制,网侧矢量解耦P/Q控制;
(47)电网电压在-3%~+7%范围内波动时能正常运行;
(48)并网满载电流总谐波畸变率5%以下;
(49)过流/过压/过温保护,分硬件保护和软件保护;
(50)具备低电压穿越功能;
(51)提供直流侧外接其他电气设备的接口;
(52)支持电网不平衡度小于 10%时正常发电运行;
(53)支持较宽的运行速度范围:700-2000RPM;
			5.0 kW背靠背变流器主要指标
| 
项目指标 | 
参数特性 | 
项目指标 | 
参数特性 | 
| 
变流器拓扑结构 | 
双级背靠背 | 
后级控制方式 | 
稳定直流电压 | 
| 
额定流功率 | 
					5.0kW | 
后级功率因数 | 
					>0.99 | 
| 
额定交流电流 | 
					15A | 
直流母线电压 | 
					600V | 
| 
额定交流电压 | 
					380V | 
最大直流电流 | 
					22A | 
| 
额定电网频率 | 
					50Hz | 
电流总谐波畸变率(THD) | 
					<3%(额定功率) | 
| 
允许电网频率 | 
48~50.5Hz | 
最大效率 | 
					95% | 
| 
前级控制方式 | 
功率控制 | 
待机状态功耗 | 
					<40W | 
| 
前级功率因数 | 
					>0.99 | 
冷却方式 | 
强迫风冷 | 
| 
防护等级 | 
					IP21 | 
标准通讯方式 | 
					RS485 | 
			2.3 
			设备主要配置参数
| 
驱动变频器 | 
容量等级 | 
					5.5KW | 
| 
电压等级 | 
					380V | 
| 
电机类型 | 
异步/永磁同步电动机 | 
| 
调速范围 | 
					0-2000RPM | 
| 
控制方式 | 
有PG矢量控制,弱磁控制 | 
| 
接口类型 | 
					RS485 | 
| 
控制环路 | 
速度闭环,力矩闭环 | 
| 
精度 | 
					电压、电流、转速、位置、转矩的信号测量 | 
| 
定制变流器 | 
功率等级 | 
					5.5KW | 
| 
电压等级 | 
					380V | 
| 
功率拓扑 | 
二电平背靠背 | 
| 
外形尺寸 | 
(宽×深×高,mm)800×600×1600 | 
| 
电动机 | 
额定功率 | 
					5.5KW | 
| 
额定转速 | 
					1500RPM | 
| 
同步转速 | 
					1800RPM | 
| 
额定电压 | 
					380V | 
| 
功率因数 | 
					0.9 | 
| 
发电机 | 
类 
					型 | 
双馈发电机 | 
| 
额定功率 | 
					5.0kW | 
| 
额定电压 | 
					380V  | 
| 
额定频率 | 
					50Hz | 
| 
额定转速 | 
					1500rpm | 
| 
转速范围 | 
					0-2000rpm | 
| 
绝缘等级 | 
F级 | 
三、双馈系统低电压穿越与实验
			3.1 
			电网电压跌落的危害
对双馈风电机组来说:
²出现的过电流会损坏电力电子器件;
²DC端过电压,将威胁直流侧元器件;
²附加的转矩、应力过大则会损坏风电机组的机械部件;
对电网来说:
²引起电网频率降低;
²引起电网线压降低;
²引发联锁效应,导致大面积电网瘫痪。
			3.2 
低电压穿越LVRT定义及意义
当电网故障或扰动引起风电场并网点的电压跌落时,在电压跌落的范围内,风电机组能够不间断并网运行。
它对系统由较为重要的意义:
²风机能够不脱网持续运行;
²能够对电网进行动态无功功率Q支撑;
²有助于有功功率P恢复;
			3.3 
			国内低电压穿越标准
对于低电压穿越,要求如下图所示,方案完全遵循此标准:

低电压穿越标准
²并网点电压跌至20%额定电压时,保证不脱网连续运行625ms
			;
²跌落后2s 内恢复到额定电压的90%时,不脱网连续运行。
²无功支撑:响应时间不大于75ms,持续时间不少于550ms
			;无功电流满足IT≥1.5×(0.9-UT)IN
			,(0.2≤UT≤0.9)
有功恢复:故障切除后以至少10%额定功率/秒的功率恢复到故障跌落前的功率;
			3.4 
低电压穿越LVRT实验方案介绍
主要为在变流器上添加Crowbar和Chopper电路,并在变流器中进行相应控制:
²Crowbar:其响应时间短,能够保护变流器IGBT、吸收和衰减畸变电流和谐波电流
²Chopper:主要考虑单管吸收回路的设计,不同于Crowbar的投切工作方式,Chopper装置在运行过程中会进行100Hz左右的斩波动作,大电流关断时的尖峰很容易导致IGBT过压实效。因此设计了RCD吸收回路和低感功率回路。
双馈机组Crowbar
双馈机组Chopper
其软件部分逻辑如下:
双馈机组LVRT软件逻辑

低穿实验波形1

低穿实验波形2

低穿实验波形3
四、双馈系统实验主控软件
FaceView实验主控软件具有风速特性模拟和风机主控功能,能模拟几种典型风速如:微风、阵风、持续大风、持续中速风、或四种风速合成特性。主控和风机模拟的参数修改权限向用户开放,用户可以自由定制风力机特性,选配接收实际的测风仪数据。主控功能实现机组并网控制,恒速运行,限功率运行,降功率运行,低电压穿越,机组脱网控制。
FaceView监测以下参量:
(54)风速、风轮转速;
(55)驱动电机转子位置/速度、电流、电压、功率、输出转矩;
(56)发电机转子位置/速度、电流、电压、功率、输出转矩;
(57)变流器直流电压;
(58)网侧变流器输出电压、电流、功率;
(59)电网电压、电流、功率。

风力发电模拟界面

曲线观测界面

参数设定界面

低电压实验
五、开放双馈风电变流器系统(说明)
算法类的函数开放,用户可以按照自己的算法修改、调用,如整流、逆变、电机控制的SVPWM和低电压穿越算法。
开放内容如下:
n双馈变流器所有电路板硬件原理图及BOM表(pdf版本):控制板,电源板,信号板,电容板;
n双馈变流器柜电气原理图及BOM表(pdf版本);
n开放控制板的debug接口,客户可以烧写自己的程序;
n双馈变流器通讯协议(RS485)(免费);
n双馈变流器使用手册(免费);
n双馈变流器编程手册pdf版;
n双馈变流器软件低电压穿越算法、整流器SVPWM算法和电机控制SVPWM算法的工程源文件,包括程序主框架、硬件驱动功能、硬件配置功能、通讯功能、保护功能、编码器功能、采样功能、锁相环功能、滤波函数等。低电压穿越算法、整流器SVPWM算法和电机控制SVPWM算法用户可以修改、调用。
双馈风电实验系统现场图如下:

★六、配套教学资源(共1套)
(一)在线教育课程开放平台(具有软件著作权,配1个登录帐号):
1)本系统是互通教学多元化管理平台,将用户传统的各个平台系统实施整合,集中互通管理,解决多平台、多账号难以管理、数据库分散无法集中统计等问题。系统包含了:在线教务管理系统、在线课程资源管理平台、在线习题库平台、在线考试考核平台、线上视频课程管理平台及线上虚拟仿真教学管理平台,真正意义的一站互通数据集中统计!
			(二)
			新能源教学系统仿真软件(正版)
			* 
一、软件概述
1、通过该软件可以系统性学习太阳能光伏硅材料、电池片、光伏组件、光伏组件附属材料、光伏应用产品等全部系列光伏知识内容。
2、配备文字与动画展示并介绍从原材料至成品包括中间环节加工工艺等与使用方法。
3、多媒体系统自带语音讲解,图、文、声并茂展示讲解、与系统所述文字同步播放,帮助教师对光伏发电课程教案的快速编写,提高学生对新能源专业知识快速掌握和快速学习。
			4、软件组成
			(1)太阳能光伏硅材料讲解与展示系统
主要功能
1、可以展示各种太阳能光伏电池使用的硅材料实物;
2、配备文字与动画展示各种材料的生产工艺与使用方法
3、目录(约11课时)
²光伏硅产品基本情况介绍
²硅单质性质:包括硅的物理性质、化学性质、硅的分类与应用
²硅化合物性质:包括二氧化硅、一氧化硅、硅的卤化物、三氯氢硅、硅烷等
²硅的生长原理及定型
²硅的提纯方法:包括化学提纯与物理提纯方法
²多晶硅的制备及其缺陷和杂质:包括冶金硅级制备、高纯多晶硅制备、铸造多晶硅制备
²单晶硅的制备及其缺陷和杂质:包括单晶硅生长、单晶硅的杂质与缺陷
²单晶硅与多晶硅加工方法
²硅薄膜材料:包括非晶硅薄膜材料、多晶硅薄膜材料
²硅材料的测试与分析方法:包括导电型号测量、电阻率测量、少子寿命测量、霍尔系数的测定、迁移率的测量、²化学性能分析、晶体结构分析等
²硅材料测试与分析依据标准(GB标准、UL标准、IEC标准、SEMI标准)
			(2)太阳能光伏电池片讲解与展示系统
主要功能
1、可以展示各种太阳能光伏电池片;
2、配备文字与动画展示各种电池片的生产工艺与使用方法
3、目录(约9课时)
²太阳能电池片基本情况介绍
²太阳能电池片基本结构分析
²太阳能电池片分类
²晶体硅太阳能电池片生产工艺:包括生产方法与生产设备介绍
²晶体硅太阳能电池片生产主要原材料
²太阳能电池片测试技术与方法:包括测试方法与测试设备介绍
²太阳能电池片测试依据标准
			(3)太阳能光伏组件讲解与展示系统
1、可以展示各种太阳能光伏光伏组件;
2、配备文字与动画展示各种光伏组件的生产工艺与使用方法
3、目录(约10课时)
r)太阳能电池组件基本介绍
s)太阳能电池组件的分类及各种组件的优缺点
t)太阳能电池组件的生产工艺介绍及相关设备
u)太阳电池组件的评定标准
v)太阳能电池组件的测试方法与测试设备
w)太阳能电池组件的发展方向
(4)太阳能光伏组件附属材料讲解与展示系统
主要功能
1、可以展示各种太阳能光伏光伏组件附属材料;
2、配备文字与动画展示各种光伏组件附属材料的生产工艺与使用方法
3、目录(约7课时)
²太阳能组件附属设施情况介绍
²太阳能组件对钢化玻璃的具体要求
²太阳能组件对支架铝型材的具体要求
²太阳能组件对EVA封胶的具体要求
²太阳能组件对TPT背板的具体要求
²太阳能组件附属设施检测方法
²太阳能组件附属设施测试标准
* 
二、展示与讲解内容目录(图、文、声并茂)
2.1 
太阳能光伏应用产品讲解与展示系统(约5课时)
2.1.1 
太阳能发电系统:
2.1.2 
家用太阳能发电机直流系统多媒体电视机
2.1.3 
太阳能便携电源:
2.1.4 
太阳能杀虫灯
2.1.5 
太阳能警示灯
2.1.6 
太阳能野营灯
2.2 
太阳能光伏发电基本原理
2.3 
太阳能光伏发电系统组成部分介绍
2.4 
太阳能光伏发电系统设计方法
2.5 
太阳能光伏电站施工建设方法
2.5.1、项目前期考察 
2.5.2、项目建设前期资料及批复文件 
第一阶段:可研阶段 
第二阶段:获得省级/市级相关部门的批复文件
第三阶段:获得开工许可 
2.5.3、项目施工图设计 
2.5.4、项目实施建设 
2.5.5、带电前的必备条件 
2.6太阳能光伏并网电站介绍
2.6.1、光伏并网电站简要描述 
2.6.2、光伏并网电站设备组成 
2.6.2、光伏并网电站设备功能 
2.7 
家用型太阳能电站建设方案
2.7.1、项目概述 
2.7.2、方案设计 (附详细方案设计)
(一)用户负载信息
(二)系统方案设计 
(三)效益计算:  
2.8 
逆变器基本原理介绍
2.9 
控制器基本原理介绍
(三)实验室智慧用电安全控制系统
智能电源管理系统具有过温、短路、过流、过压、欠压、失压、功率限定7大保护功能;电源具有一键锁定功能,处理故障时,防止漏电保护器合闸,造成触电危险;电源具有故障锁定功能,发生故障导致跳闸时,不能人为上电,只能通过远程清除故障后,才能上电成功;能通过无线4G和有线以太网与手机APP和PC端云平台通讯,没有网络的情况下,教室整套智能电源管理系统可离线独立运行。
			1、智能终端:智能电源管理系统以32位ARM为核心,采用4.3寸彩色触摸屏为人机交互界面,实时监控设备运行情况,提供Zigbee、CAN等多种通信模式,具备语音播报功能。能实时监测三相电压、电流、功率,功率因数、频率、电能等参数,液晶触摸屏监测数值。能监控实验室电源的故障类型和故障次数;设备时间管理包含年月日时间的显示;用户通过刷卡方式请求开启设备,PC端进行授权之后,设备可启动使用,PC端可分时预约设备的启动和停止!
			2、手机APP:用电状态界面实时显示当前电压、电流、有无功功率、电能、设备温度、漏电电流值等;用电数据界面能智能查找近2年用电数据,设置界面能设置限定电能值、负载值、设备超温值、过欠压值、过欠压恢复时间值等。后台查看报警日志、操作日志、故障日志等。控制:可在微信小程序中远程控制智能开关的通断。
			3、PC端软件:每个设备状态信息显示,具有多个子界面,具有故障分析,用电能效分析、集中管理、个人中心资料管理、用户报警定位跟踪与信息统计;具有管理员信息修改与权限管理等功能。可一键开启和关闭所有设备,可单独控制每台设备的开关!
			4、后台系统:包含账号管理、设备管理、报修管理、用户管理,设备管理:
			①、包含监控管理:实时视频监控每个教室,可一键预览所有设备的在线和运行情况,分析设备使用率及运行时间!
②、包含设备节点:可显示设备所在位置、编码名称、挂载情况、用户编辑、用户查询等。
			5、报修管理:用户可进行远程报修,反应设备故障信息,编辑报修情况,后台可进行远程维护,及时跟进,以有效解决用户设备维护。
			6、用户管理:可连通手机号,对账户进行一对一的安全加密,实名认证,防止账户泄密、防盗,现场数据连接云平台后台数据库管理。
现场需对功能逐一演示,提供有效、权威的证明文件,佐证该产品的可靠、安全、先进性。
提供实验室智慧用电安全控制系统的专利证明材料;
七、可开设实验及科研教学内容
²风力机模拟实验
²低电压穿越实验
²低电压穿越算法研究
²直流母线电压控制实验
²并网过程及连续实验
²亚同步速、超同步速运行控制实验
²风力发电并网功率因素调节
实验项目表
| 
编号 | 
名称 | 
学生人数 | 
类型 | 
| 
1 | 
异步电机空载实验 | 
每套机组3~5人 | 
设计型 | 
| 
2 | 
异步电机负载实验 | 
每套机组3~5人 | 
设计型 | 
| 
3 | 
双馈感应电机空载实验 | 
每套机组3~5人 | 
设计型 | 
| 
4 | 
双馈感应电机负载实验 | 
每套机组3~5人 | 
设计型 | 
| 
5 | 
风力发电机启动并网实验 | 
每套机组5~8人 | 
设计型 | 
| 
6 | 
风力发电机正常停机实验 | 
每套机组5~8人 | 
设计型 | 
| 
7 | 
风力发电机异常停机 | 
每套机组5~8人 | 
设计型 | 
| 
8 | 
风力发电机正常运行实验 | 
每套机组5~8人 | 
设计型 | 
| 
9 | 
风力发电机脱网保护实验 | 
每套机组5~8人 | 
设计型 | 
 
| 
电工电子技能综合实训考核平台 | 
| 
电工电子技术综合实训考核装置 | 
| 
电工基础与技能实训考核装置 | 
| 
电工技术综合实训装置 | 
| 
电工技术实训网板 | 
| 
通用电子技术实训装置 | 
| 
电子技术综合实训考核设备 | 
| 
电子技术综合实验装置 | 
| 
电气教学平台,劳模+技能大师联创中心建设方案 | 
| 
电气自动化设备安装与维修实训考核平台 | 
| 
					智能型装接表电工实训系统 | 
| 
电工技能实训考核柜 | 
| 
直流调速(调压)实训控制柜 | 
| 
化工自动化仪表实训平台 | 
| 
电工·电子技术实训装置 | 
| 
电气控制实训装置(单面双组型) | 
| 
电气装配与调试实训平台 | 
| 
仪表自动化控制综合实训台 | 
| 
高性能高级维修电工及技能培训考核实训装置 | 
| 
电工培训考核装置 | 
| 
机电技术技能实训考核装置 | 
| 
电机与电气控制实训台 | 
| 
楼宇智能化控制系统平台 | 
| 
电气技能实训考核装置 | 
| 
电工电气装配与工艺实训台 | 
| 
电机与电力拖动实训装置 | 
| 
维修电工技能实训考核装置(网孔板、单面双组型) | 
| 
电工电子及电机拖动综合实训平台 | 
| 
电工电子电力拖动技术实验装置 | 
| 
电工技能实训与考核装置 | 
| 
电工技术实训台 | 
| 
电工技术实验装置 | 
| 
电工综合实训考核设备 | 
| 
高级电工实训台 | 
| 
电工电子综合实验台 | 
| 
智能型电工电子拖动综合实验装置(带PLC实验) | 
| 
电子技术创新设计综合应用实训装置 | 
| 
电子焊接实训考核装置 | 
| 
电子工艺与检测实训平台 | 
| 
电子装配实训台 | 
| 
电子技术实验装置 | 
| 
高级电工电子技术实验装置 | 
| 
高性能电工电子电拖综合实训装置 | 
| 
电子技术综合实验装置 | 
| 
电子电路综合实验实训装置 | 
| 
电工基础实验装置 | 
| 
电气控制技术实训考核装置 | 
| 
电气控制及电子技能实训考核装置 | 
| 
内外线电气安装与维修实训装置 | 
| 
网孔型电工技能及工艺实训考核装置(单面、双组) | 
| 
电工技能实训考核平台 | 
| 
电工电子技能及创新设计综合实训考核装置 | 
| 
电工电子技术实验台 | 
| 
初、中、高级及技师维修电工实训考核装置 | 
| 
电气控制综合实验装置 | 
| 
供配电技术实训装备 | 
| 
电工实训装置(单面双组型) | 
| 
电工电子模拟实训装置 | 
| 
低压电工电气装配实训台 | 
| 
电子装配工艺与检测实训装置 | 
| 
电工工艺(维修电工)试验台 | 
| 
电工电子电拖实训台 | 
| 
一体化电工电子技术创新设计综合应用实训装置 | 
| 
现代维修电工技术实训考核装置 | 
| 
电工实训工作台 | 
| 
电子技术技能实训考核台 | 
| 
电子学技术综合实验装置 | 
| 
维修电工电气控制实训装置 | 
| 
机床电气与PLC控制教学实验装置 | 
| 
维修电工技能考核实训装置 | 
| 
机电技术技能实训考核装置 | 
| 
电气装配实训装置(网孔板、双组型) | 
| 
电子产品设计与制作实训平台 | 
| 
电子单片机实训台 | 
| 
维修电工实训考核装置 | 
| 
电机控制及调速综合实训装置 | 
| 
电工电子自动化综合实训实验台 | 
| 
电工模电数电综合实训平台 | 
| 
电气控制及电子技能实训考核装置 | 
| 
电气装配实训装置 | 
| 
网孔型电工电气装配实训台 | 
| 
维修电工实训考核装置(单面双工位) | 
| 
电子电工综合实验装置 | 
| 
电工实操实验室设备、电工基本操作技术实训室 | 
| 
电工技能测试台 | 
| 
电工操作台、初级维修电工实训设备 | 
| 
维修电工实训设备 | 
| 
高级电工技能实训考核装置 | 
| 
电工电子技能及创新设计综合实训考核装置 | 
| 
电力拖动实验装置 | 
| 
电工综合实验装置 | 
| 
维修电工技能智能实训考核装置 | 
| 
机电技术技能实训考核装置 | 
| 
电工电子技能综合实训装置 | 
| 
通用电工竞赛训练平台 | 
| 
高级电工练功考核实训台 | 
| 
电工、电子、电力拖动、PLC、变频器、单片机、触摸屏实训台 | 
| 
电子技术技能实训台 | 
| 
现代物流仓储自动化实验系统 | 
| 
电气线路安装实训装置 | 
| 
维修电工技术实训平台 | 
| 
电力电子技术应用实训装置 | 
| 
电工电子综合应用创新实训装置 | 
| 
电气照明设备安装调试技能实训装置 | 
| 
电气安装调试实训设备,电气安装调试实训装置 | 
| 
自动生产线装调与设计实训装置 | 
| 
互联网+现代电工电子技术实训装置 | 
| 
电工电子·电拖·PLC技术综合实训考核装置 | 
| 
电气设备安装调试技能实训装置 | 
| 
电工电子基础实验装置 | 
| 
电工电子技术基础实训考核平台 | 
| 
电气安装与维修实训装置 | 
| 
电机传动与控制实验装置 | 
| 
维修电工高级技师考核实训设备 | 
| 
电气控制PLC实训台 | 
| 
电气安装与维修实训考核装置 | 
| 
电气控制系统安装与调试实训设备 | 
| 
电机及电气技术实验装置 | 
| 
电气安装调试实训装置 | 
| 
通用电工电子电拖实验装置 | 
| 
电工电子实验装置 | 
| 
电机拖动及电气控制技术实训装置 | 
| 
电机拖动及运动控制综合实验台 | 
| 
机电综实训考核平台 | 
| 
电力拖动实验装置 | 
| 
直流调速技术实训装置 | 
| 
电机性能测试柜 | 
| 
机电控制综合实训平台 | 
| 
电机控制实训台 | 
| 
电机控制接线实验台 | 
| 
电机运动控制实训装置 | 
| 
电工电机拖动实训装置 | 
| 
电机装配与运行检测实训装置 | 
| 
电机电控配线安装实训装置 | 
| 
电机·变压器维修及检测实训装置 | 
| 
电机故障检测实训考核装置 | 
| 
变频器工作原理实训装置 | 
| 
维修电工技能实训考核装置(电气控制·PLC·变频器) | 
| 
高级电工技能实训考核装置 | 
| 
高级维修电工变频调速PLC可编程控制实训装置 | 
| 
电子焊接技能实训平台 | 
| 
现代电工技术实训考核装置(柜式、双面型) | 
| 
高级电工电子实验装置 | 
| 
数字电子技术综合实训考核装置 | 
| 
模拟电路、数字电路实验平台 | 
| 
电子学综合实验装置 | 
| 
模拟电子电路实验装置 | 
| 
模拟电路应用创新实验平台 | 
| 
电子焊接装配实训台 | 
| 
电子产品焊接与工艺实训台 | 
| 
电子工艺焊接装配生产线 | 
| 
电工电子创新综合实训装置 | 
| 
电子工艺实训考核装置 | 
| 
电子创新实验台 | 
| 
电子产品设计与装调实训考核装置 | 
| 
电力拖动一体化实训设备 | 
| 
网络型高性能电工电子技术实训与考核装置 | 
| 
电子(模电数电)技术综合应用创新实训考核装置 | 
| 
初中高级电工实训设备 | 
| 
理实一体化教室、电工电子技术实验台 | 
| 
电工电子综合实验装置 | 
| 
电子技术综合实训考核平台 | 
| 
电工实训考核装置 | 
| 
电工技能实训装置 | 
| 
电工技能实训台 | 
| 
电气系统安装与调试实训装置 | 
| 
电工基础实训台 | 
| 
电工实训考核装置,电工技术实训考核装置,网孔型电工实训考核设备 | 
| 
现代电气控制系统安装与调试实训考核装置 | 
| 
网孔型电气控制实训装置 | 
| 
在线智慧电子实验系统综合实训平台 | 
| 
电子产品装调与人工智能创新考核装置 | 
| 
电力电子技术应用创新设计综合实训装置 | 
| 
电子学综合实验装置 | 
| 
电工实训操作台(单面二组型) | 
| 
电工电子技术综合实训考核装置 | 
| 
电工电子自动化综合实验实训装置 | 
| 
电工电子电拖实验装置 | 
| 
电工技能鉴定实训装置 | 
| 
低压电气装配工技能实训考核装置 | 
| 
电工电拖综合实训装置 | 
| 
电工技术实训考核装置 | 
| 
机电综合实训考核平台 | 
| 
电工电子技术实验装置 | 
| 
电力拖动实训装置 | 
| 
轨道交通电力系统综合自动化技能实训考核平台 | 
| 
电力拖动一体化实训设备 | 
| 
电力系统综合自动化技能实训考核平台 | 
| 
电力系统微机保护综合实训装置 | 
| 
电力系统自动化实训平台 | 
| 
电气设备及二次部分实训考核装置 | 
| 
电机及电气技术实验装置 | 
| 
电机电力电子及电气控制技术实验装置 | 
| 
电机及电气技术实验装置 | 
| 
大功率直流调速系统实训考核装置 | 
| 
电机装配与运行检测实训考核设备 | 
| 
电机电力拖动及电气控制实训装置 | 
| 
电机拖动及自动控制系统实验台 | 
| 
电机及电气控制实验装置 | 
| 
电子焊接装配实训台 | 
| 
电子创新综合实训平台 | 
| 
电工电拖综合实训平台 | 
| 
电机控制实验台、电机PLC控制实验装置 | 
| 
摇臂钻集合实验台,机床电气控制技能实训考核装置 | 
| 
电气控制实训平台 | 
| 
一体化网络型高级维修及技师电工技能培训考核实训装置 | 
| 
防爆电气控制技术技能培训考核实训装置 | 
| 
电机及拖动实验台 | 
| 
高级维修电工综合实训柜 | 
| 
电工操作实操台,网孔型电工技能实训考核装置 | 
| 
电气安装实训装置 | 
| 
电工电子综合应用创新实训装置 | 
| 
电力拖动电气控制实验装置 | 
| 
电工电气实训考核装置 | 
| 
电工电子实训台 | 
| 
电机拖动与调速系统实训装置 | 
| 
电子产品设计及制作生产线 | 
| 
电力系统微机保护综合实训设备 | 
| 
电子技术综合实验装置 | 
| 
电子技术综合实训平台 | 
| 
网孔型高级维修电工实训设备,网孔型中级维修电工实训设备,网孔型初级维修电工实训设备 | 
| 
高级电工电拖实训考核柜、中级电工电拖实训考核考核柜、初级电工电拖实训考核考核柜 | 
| 
高级维修电工实训室,中级维修电工实训室,初级维修电工实训室 | 
| 
电力拖动PLC变频调速综合实训装置 | 
| 
电力拖动实训台 | 
| 
电工基础及基本技能实训台 | 
| 
电机拖动实训设备 | 
| 
电子技术实验实训室设备 | 
| 
电工电子实训考核装置 | 
| 
高级电工电子电力拖动实验装置 | 
| 
供电技术实训装置 | 
| 
电力拖动与控制技术实训装置 | 
| 
电力电子及电气传动实验台 | 
| 
电力技术控制系统实训演示设备 | 
| 
高性能电工电子电力拖动综合实验装置 | 
| 
电力自动化仪表及过程控制实训平台 | 
| 
电力系统继电保护实验台 | 
| 
电气控制实训室设备 | 
| 
电气控制技术实验装置 | 
| 
维修电工实训考核装置 | 
| 
高级电工及技师维修电工实训考核装置 | 
| 
维修电工实训装置、维修电工技能操作台 | 
| 
高级维修电工考核实训台(单面双组型) | 
| 
					电气安装与维修实训考核装置 | 
| 
					电工电力电子实训平台 | 
| 
					变电二次安装工实训考核装置 | 
| 
					工厂供电综合自动化实训装置 | 
| 
供配电实验室设备,电气工程综合实训设备 | 
| 
					电工基本操作技术实训室设备 | 
| 
机电驱动实训设备 | 
| 
					电子产品装配实训室 | 
| 
					电气控制技能实训考核装置 | 
| 
					电气安装与维修实训考核设备 | 
| 
					电子焊接防静电实训台 | 
| 
					电子产品装配与调试生产线 | 
| 
					电子工艺实训考核装置 | 
| 
模拟电路实验装置 | 
| 
					电机技术实验装置(交/直流发电机) | 
| 
电机与变压器综合实验装置 | 
| 
					电力拖动.PLC技能实训装置,电力拖动、PLC实训装置 | 
| 
					高级维修电工综合实训装置(附件)为竞赛考核平台 | 
| 
					高级电工职业技能鉴定综合实训考核装置 | 
| 
					电力自动化及继电保护实验装置 | 
| 
					电力自动化及继电保护实验台 | 
| 
电力拖动(工厂电气控制)实验装置 | 
| 
					初中级电工实训考核装置 | 
| 
					高级电工技术实验台 | 
| 
电气智能控制PLC 技术实训装置 | 
| 
电力电子与电力传动专业课程 | 
| 
电力电子技术实验室设备 | 
| 
					电气安装与维修实训考核装置 | 
| 
					自动化综合实训装置 | 
| 
					高级维修电工实训考核装置 | 
| 
					电工实训考核装置简介,电气装配实训台注意事项 | 
| 
					高性能高级维修电工技能培训考核装置 | 
| 
					电子技术实训装置 | 
| 
					电工电子技术创新设计综合应用实训装置 | 
| 
					电气动力设备安装调试技能实训装置(高级) | 
| 
					(初级)电气动力设备安装调试技能实训装置 | 
| 
					(中级)电气动力设备安装调试技能实训装置 | 
| 
					电气照明设备安装调试技能实训装置 | 
| 
					高性能电工技术实验台 | 
| 
					电工技术综合实验装置 | 
| 
					数字电路应用创新实验平台 | 
| 
					模拟电路实验装置 | 
| 
					电工技能实训考核装置 | 
| 
					高性能电工综合实验装置 | 
| 
高级电工实操柜,中级电工实操柜,初级电工实操柜 | 
| 
					高级电工技术实训考核装置 | 
| 
					中级电工技术实训考核装置 | 
| 
					初级电工技术实训考核装置 | 
| 
					电工综合训练装置 | 
| 
					电工实训装置 | 
| 
					电工实验装置 | 
| 
					电工电子综合实验装置 | 
| 
					电工电子电拖实训装置 | 
| 
					电工·电子技术实训装置 | 
| 
					现代高级电工电拖实训考核设备 | 
| 
					维修电工电气控制实训考核装置 | 
| 
					仪表及照明单三相电机控制实训考核装置 | 
| 
					高级电工综合实验装置 | 
| 
					现代电气控制应用实训设备 | 
| 
					通用电工实验台,通用电工技术实训台 | 
| 
					通用电子实验台 | 
| 
					通用电工电子实验台 | 
| 
					通用电工电子电力拖动实验台 | 
| 
					通用电工电子电力拖动带直流电机实验台 | 
| 
					电工、电子、电力拖动(带直流电机、三相可调)实验装置 | 
| 
					通用电力拖动实验室成套设备 | 
| 
					通用电力拖动实验室成套设备(带直流电机实验) | 
| 
通用电工电子 电力拖动 
					直流电机实验室设备 (四合一) | 
| 
					现代电气控制系统安装与调试实训装置 | 
| 
电工·电子·电拖创新实训室设备 | 
| 
					现代电气控制综合实训装置 | 
| 
					电工技术实验装置 | 
| 
					立式电工电子实验装置 | 
| 
					智能型电工电子技术实验装置 | 
| 
					智能型电工、电子、电力拖动综合实验装置 | 
| 
					智能型电工、电子、电力拖动综合实验装置(带PLC实验) | 
| 
					智能型电工、电子/电拖、PLC、单片机综合实验装置 | 
| 
					智能型电工、电子、电拖、PLC、变频调速综合实验装置 | 
| 
电子工艺实训台 | 
| 
电子装配调试实训台 | 
| 
					电子产品装调一体化创新实训装置 | 
| 
					电气装配与工艺实训装置(单面双组型) | 
| 
					电气装配实训台(单面双组型) | 
| 
机床PLC电气控制实训考核装置 | 
| 
电气装配实训台 | 
| 
电气技能实训考核装置(单面双组型) | 
| 
					高性能电工技术实验装置 | 
| 
					高性能电工电拖实验装置 | 
| 
					高性能电工、电子、电力拖动、PLC、变频器实训装置 | 
| 
					高级电工技术实验台 | 
| 
					高性能电工电子实验台 | 
| 
					高级电工电子电拖综合实验台 | 
| 
					维修电工技能实训考核装置(两面四组型) | 
| 
					初级电工、电拖实训考核装置(柜式) | 
| 
					中级电工、电拖实训考核装置(柜式) | 
| 
					高级电工、电拖实训考核装置(柜式) | 
| 
					高性能高级维修维修电工实训考核装置 | 
| 
								维修电工电气控制及仪表照明电路综合实训考核装置 | 
| 
								高级维修电工技能实训考核装置 | 
| 
								仪表照明实训考核装置 | 
| 
								高级维修电工实训考核装置 | 
| 
维修电工电气控制及仪表照明电路综合实训考核装置 | 
| 
高级技师维修电工实训考核装置 | 
| 
维修电工电气控制技能实训考核装置 | 
| 
中高级维修电工及技能培训考核实训装置(电工考证实训设备) | 
| 
高级电工实训考核鉴定装置 | 
| 
智能型现代电气控制实训考核装置 | 
| 
					高性能初级维修电工及技能培训考核实训装置 | 
| 
					高性能中级维修电工及技能培训考核实训装置 | 
| 
					高性能高级维修电工及技能培训考核实训装置 | 
| 
					电工电子综合应用创新实训装置 | 
| 
					高级电工、电拖、PLC实训考核装置 | 
| 
					高性能初、中、高级维修电工技能综合实训考核装置 | 
| 
电气设备安装调试技能实训装置 | 
| 
自动加工与装配生产线实训考核设备 | 
| 
机床电气技能实训考核鉴定装置 | 
| 
现代电气控制系统安装与调试实训考核装置 | 
| 
模电、数电、电力拖动实验台 | 
| 
维修电工实训考核柜(柜式、双面型) | 
| 
双面网孔板维修电工技能实训考核装置 | 
| 
高级电工电子实验装置 | 
| 
电工电拖实训平台 | 
| 
维修电工电气控制技能实训考核装置 | 
| 
维修电工通用型实训考核实训装置 | 
| 
维修电工排故培训考核装置 | 
| 
电工基本技能综合实训设备 | 
| 
					维修电工实训装置(网孔板单面双组型) | 
| 
					电工电子技术·电力拖动实训考核装置 | 
| 
					电子技术实验教学平台 | 
| 
					电子技术综合实训考核装置 | 
| 
					电工电子技术实训考核装置 | 
| 
电工实训装置 | 
| 
电工电子实验装置 | 
| 
电工电子电力拖动实验装置 | 
| 
					电工电子电力拖动实验装置(带PLC实验) | 
| 
					电子产品装调与智能检测实训考核装置 | 
| 
					电子工艺实训考核装置 | 
| 
					电子工艺综合实训装置 | 
| 
					电子工艺实验考核装置 | 
| 
					电工技能及工艺实训考核装置(网孔板) | 
| 
					通用电工电子技术及电力拖动实验台 | 
| 
					电子产品焊接装配实训台 | 
| 
					中级维修电工实训台 | 
| 
					初级维修电工实训学生台 | 
| 
					电子实验室设备 | 
| 
电工电子综合实验平台 | 
| 
					模电数电技术实验台 | 
| 
					电机电力电子与交直流调速实验台、电机电力电子与电气传动技术实验装置 
 | 
| 
					智能变配电系统实验开发平台 | 
| 
					高级维修电工及技师技能实训考核装置 | 
| 
					高低压配电实验实训装置 | 
| 
					低压供配电技术实训设备 | 
| 
					低压配电成套实训装置 | 
| 
					低压配电操作实训室设备 | 
| 
					工厂供电技术实训装置 | 
| 
					35kV变电站及10kV供配电系统倒闸操作屏 | 
| 
					变配电室值班电工技能培训考核系统 | 
| 
					电力电子试验箱 | 
| 
					供配电所实训装置 | 
| 
					电力系统继电保护实验室设备 | 
| 
					电力系统微机线路保护实训考核装置 | 
| 
					电力系统继电保护工培训考核平台 | 
| 
										电力系统自动化实训平台 | 
| 
										电力系统继电特性及继电保护实验装置 | 
| 
					电机及自动控制实验装置 | 
| 
					高级维修电工实训设备 | 
| 
维修电工中级技能实训设备 | 
| 
高性能初级维修电工技能实训装置 | 
| 
电气安装与维修实训考核装置 | 
| 
					电气动力设备安装调试技能实训装置 | 
| 
					电工电气维修实训台 | 
| 
					维修电工与PLC实训考核装置(双工位) | 
| 
					电气系统安装与调试实训装置 | 
| 
					维修电工技能实训考核台 | 
| 
					高级技师维修电工实训装置 | 
| 
					维修电工技师、高级技师技能实训考核装置 | 
| 
					维修电工仪表照明实训考核装置 | 
| 
					维修电工电气控制及仪表照明电路综合实训考核装置 | 
| 
					维修电工电气控制技能实训考核装置 | 
| 
					电工实训操作实操台 | 
| 
					安全用电实训考核装置 | 
| 
					技术安全检查实训装置 | 
| 
					新能源发电实训设备 | 
| 
					电工、模电、数电、微机接口及微机应用实验设备(适用于高校、大专、职业学院) 
					
更多产品>> | 
| 
电力电子技术及数模电综合实验台 | 
| 
电工、模电、数电实验室设备 | 
| 
模拟 数字电子电路微机接口 
					微机应用综合实验室设备 | 
| 
					信号与系统·控制理论·计算机控制技术实验台 | 
| 
					模电、数电、通信原理教学实验装置综合实验台 | 
| 
					模电、数电、现代通讯原理实验室成套设备 | 
| 
					高级模电、数电综合实验台 | 
| 
					模电、数电、高频电路综合实验台 | 
| 
					模电、数电、自动控制综合实验台 | 
| 
					模电、数电、单片机实验开发系统综合实验台 | 
| 
					电工实验室成套设备 | 
| 
电工实验台 | 
| 
电工、模电、数电、电气控制综合实验室成套设备 | 
| 
					模电.数电实验台 | 
| 
					电工、模电、数电实验台(三合一) | 
| 
					电工、模电、数电、电气控制实验台(四合一)  | 
| 
					电工、模电、数电、电气控制(带直流电机)实验台(五合一) | 
| 
					电机拖动及电力电子技术创新实验实训装置 | 
| 
					电力电子技术及电气传动实训装置 | 
| 
					电力电子电气自动控制技术实训装置 | 
| 
					电机及电气技术实验装置 | 
| 
					电力电子基础实训台 | 
| 
					电力电子技术实训台 | 
| 
					电力电子技术实训装置 | 
| 
					电力电子及电机拖动综合实验装置 | 
| 
					电力电子技术及电机控制实验装置 | 
| 
					电力电子及电气传动实训装置 | 
| 
					电力电子技术实验装置 | 
| 
电机控制及照明实训柜 | 
| 
电力自动化及继电保护实验装置 | 
| 
DSP原理及电机调速实验系统 | 
| 
现代电工技术实训考核装置 | 
| 
现代电力电子技术实验设备 | 
| 
					电工电子电气技术实训装置 | 
| 
电机拖动及电气控制技术实验装置 | 
| 
					电机维修及检测实训装置,控制微电机综合实验装置,电机拖动实训设备 | 
| 
					电机原理及电机拖动实验系统 | 
| 
					交直流调速实训装置 | 
| 
					电机维修及检测实训设备 | 
| 
机电综实训PLC考核平台 | 
| 
					电机拖动实验台 | 
| 
					电机及电气技术实验装置 | 
| 
					电气动力设备安装调试技能实训装置 | 
| 
					电力电子电机拖动综合实验台 | 
| 
					电机控制与调速综合实训装置 | 
| 
					电力电子技术及电机控制实验装置 | 
| 
					电工电子综合应用创新实训装置装置 | 
| 
					电力拖动实训装置 | 
| 
					电工电子相关实验教学设备 | 
| 
					电子装配实训台,电子基本技能实训设备 | 
| 
					电机及电气技术实验装置 | 
| 
					电力电子技术实训装置 | 
| 
					电子技术综合实训考核装置 | 
| 
					电子、单片机技术综合实训考核装置 | 
| 
					电子技术及传感器综合实训装置  | 
| 
					电子技术综合实训平台 | 
| 
					电子应用技能实训考核装置 | 
| 
电工技术实训装置 | 
| 
电工电子技术实验台 | 
| 
					电工、模电、数电、电力拖动(带直流电机)实验与实训考核台、电工维修实训设备  更多产品>> | 
| 
					模电、数电实验与技能实训考核台 | 
| 
					电工、模电、数电实验与技能实训考核台 | 
| 
					通用电工、电子、电拖实验与电工、电子、电拖技能实训考核实验室设备 | 
| 
					电工、模电、数电、电力拖动(带直流电机)实验与技能实训考核实验室设备 | 
| 
电工、模拟、数字、电力拖动综合实验装置 | 
| 
					电工技能实训与考核实验室成套设备 | 
| 
					电工·模电·数电·电拖·单片机·PLC·传感器技术综合实训考核装置  | 
| 
					电工、模电、数电、电气控制、PLC可编程控制综合实验装置 | 
| 
					电工、电子、电拖(带直流电机)实验与电工、电子、电拖技能实训考核实验室设备 | 
| 
					电气装配与工艺实训台 | 
| 
					网孔型电工电子技能及工艺实训考核装置 | 
| 
					网孔型电力拖动(工厂电气控制)技能及工艺实训考核装置 | 
| 
					维修电工仪表照明实训考核装置 | 
| 
					初级工实训台、中高工实训台、高级工实训台 | 
| 
					高性能电工电子技术实训考核装置 | 
| 
					高性能电工、电子、电力拖动技术实训考核装置 | 
| 
					电力拖动工厂电气控制技能及工艺实训考核装置、网孔型电工电子电力拖动变频调速PLC装置  | 
| 
					高性能电工电子电拖及自动化技术实训与考核装置 | 
| 
					高性能电工技术实训考核装置、高性能电工电子技术实训考核装置、高性能电工电子电力拖动技术实训考核装置  | 
| 
					电子技术综合实训考核装置,电工电子技术实训考核装置,电工电子技术·电力拖动实训考核装置  | 
| 
电力拖动·PLC技能实训装置、电力拖动技能实训考核装置  | 
| 
					单片机实验箱 | 
| 
					信号与系统/DSP实验箱 | 
| 
					单片机同步互动实验系统 | 
| 
					数字、模拟电路同步互动教学系统 | 
| 
					电路分析基础课程设计实验室设备 | 
| 
					电路原理与模拟电路综合实验箱 | 
| 
					数字电路、EDA技术实验设计系统 | 
| 
					SAE数电/摸电/EDA综合实验系统  | 
| 
					三相电路的实验箱 | 
| 
					电子测量实验箱 | 
| 
					电工电路技术实验箱 | 
| 
					太阳能教学实验箱 | 
| 
					8086KB微机原理与接口实验箱 | 
| 
					自控原理及计算机控制技术教学实验箱 | 
| 
					新型计算机组成原理实验箱 | 
| 
					计算机组成原理基础实验箱 | 
| 
					计算机设计综合技能试验箱  | 
| 
					A865微机原理与单片机实验箱  | 
| 
					微机控制与仿真实验实训室  | 
| 
					嵌入式实验开发系统  | 
| 
					创新型模块化模拟电路实验箱  | 
| 
					增强型电子线路综合实验箱  | 
| 
					数字电子技术实验箱  | 
| 
					模拟电子技术实验箱  | 
| 
					数字电子技术实验箱,设计型(基础型)  | 
| 
					微机原理与接口技术,计算机控制技术课程  | 
| 
					创新单片机实训箱  | 
| 
					EDA实验箱  | 
| 
					EDA实训室、EDA实验开发箱  | 
| 
					FPGA教学开发创新平台  | 
| 
					E207EDA设计技术实验箱  | 
| 
					E216SOPC系统综合开发平台  | 
| 
					超强型计算机组成原理与系统结构实验箱  | 
| 
					高频电路实验箱  | 
| 
					综合电路原理实验箱  | 
| 
					电路原理实训室设备  | 
| 
					EMCU模块化多CPU创新单片机实训实验箱  | 
| 
					单片机嵌入式实验系统  | 
| 
					新型单片机实验箱  | 
| 
					8-32位微机原理接口实验系统  | 
| 
					集成一体化单片机、微机接口综合实验箱  | 
| 
					多种单片机、微机接口与组态综合实验系统  | 
| 
					51单片机实验箱  | 
| 
					STM32单片机实验箱  | 
| 
					单片机与组态综合实验系统  | 
| 
					单片机与MCGS组态综合实验系统  | 
| 
					单片机、微机原理及接口技术二合一实验箱  | 
| 
					自控原理实验箱  | 
| 
					自控计控原理实验系统  | 
| 
					自控原理与计算机控制实验箱  | 
| 
					超强型计算机组成原理实验箱 | 
| 
					计算机组成原理与系统结构实验箱  | 
| 
					微机原理与接口技术实验室  | 
| 
					数字模拟电路实验箱  | 
| 
					模拟电路实验箱(含信号源)  | 
| 
					模拟电路实验箱  | 
| 
					数字电路实验箱  | 
| 
					数字模拟电路实验箱  | 
| 
					数字电路、模拟电路综合实验箱  | 
| 
					电工技术实验箱  | 
| 
					电子技术实验箱  | 
| 
					电路原理实验箱、数字电路实验箱  | 
| 
					模拟电路技术实验箱、数字电路技术实验箱、电工技术实验箱  | 
| 
					电路分析基础实验  | 
| 
					电路分析实验箱、电路原理实验箱  | 
| 
					运动控制实训平台、CPTH超强型计算机组成原理与系统结构实验仪  | 
| 
					信号与系统实验平台 | 
| 
					信号与系统及数字信号处理平台 | 
| 
					通信教学实验系统 | 
| 
					移动通信系统 | 
| 
					现代交换系统方案 | 
| 
					数字通信技术实验系统方案 | 
| 
					通信原理实验系统方案 | 
| 
					通信与信号处理实验箱 | 
| 
通信系统创新实验平台  | 
| 
信号与系统控制理论实验装置  | 
| 
信号与系统综合实验箱  | 
| 
					移动通信系统、通信原理实验平台  | 
| 
程控交换综合实验箱 | 
| 
通信系统原理实验箱 | 
| 
光纤通信教学实验系统 | 
| 
光纤通信综合实验箱 | 
| 
					高频电子线路实验箱 
  | 
| 
通信原理综合实验箱 | 
| 
现代通信技术实验平台 | 
| 
通信原理实验箱 | 
| 
PLC可编程控制器实验箱 | 
| 
					单片机开发实验箱、万能单片机实验开发系统、单片机实验箱 | 
| 
交流电路实验箱 | 
| 
直流电路实验箱 | 
| 
					单片机实验箱 | 
| 
					创新单片机实训实验箱 | 
| 
					数字、模拟、电路分析综合实验箱 | 
| 
					智能通用电工、电子、电力拖动实验室设备(适用高校、专科、职业学院、中专、技校、职校 ) | 
| 
电工、电子、电拖(带直流电机)技能实训与考核实验室设备 | 
| 
通用电工电子电拖(带直流电机)实验台 | 
| 
通用型电工电子实验台 | 
| 
电力拖动实训平台 | 
| 
电机拖动及控制实训设备 | 
| 
电机与拖动实验室设备及装置 | 
| 
					通用智能型电子实验与技能实训考核台 | 
| 
					通用智能型电工实验和电工技能实训考核台 | 
| 
					通用电子实验与电子技能实训考核实验室设备 | 
| 
					通用智能型电工、电子、电拖实验与技能实训考核台 | 
| 
					电工、电子、电力拖动(带直流电机)技能实训考核台、维修电工实设备   更多产品>> | 
| 
					电工电子技术实训装置  | 
| 
电工技能实训考核台 | 
| 
电子技能实训考核台 | 
| 
					电工、电子技能实训考核台 | 
| 
					电工、电子、电力拖动技能实训考核台 | 
| 
					电工、电子、电力拖动(带直流电机)技能实训考核台 | 
| 
					电气控制实训装置(单面双组型) | 
| 
					电气实验实训室,主要服务机械制造自动化、电工维修考核设备 更多产品>> | 
| 
智能电工技术实验装置 | 
| 
SB-528立式电工实验台 | 
| 
					SB-528立式电工、模电、数电实验台 | 
| 
					SB-528立式电工、模电、数电、电气控制实验台 | 
| 
					SB-528立式电工、模电、数电、电气控制(带直流电机)实验台 | 
| 
					SB-528E立式电工·模电·数电·单片机综合实验装置 | 
| 
					立式电工·模电·数电·电气控制·PLC可编程控制综合实验装置 | 
| 
					智能型电工电子电拖PLC单片机综合实验装置 | 
| 
					电工电子及电力拖动综合应用创新实训装置 | 
| 
					电力拖动(工厂电气控制)实验装置 | 
| 
					高级电工实验室成套设备(带功率表、功率因数表) | 
| 
					高级模电、数电实验室成套设备 | 
| 
					PLC编程控制实训设备、单片机实验室、计算机原理实验室设备、工业自动化实验台  
					
更多产品>> | 
| 
					运动控制综合实训装置 | 
| 
					六工位PLC可编程控制器实训台 | 
| 
					机电一体化综合创新教学平台 | 
| 
					机电一体化综合实训考核设备 | 
| 
					PLC可编程控制实训设备 | 
| 
					网络型可编程控制器综合实训装置 | 
| 
					可编程控制器S7-1200综合实训设备 | 
| 
					可编程控制器S7-200Smart综合实训设备 | 
| 
					可编程控制器S7-1500综合实训设备 | 
| 
网络型PLC可编程控制器综合实训装置(PLC+变频+电气控制+触摸屏) | 
| 
西门子1214C网络型可编程控制器综合实训装置 | 
| 
网络型PLC可编程控制技术综合实训装置(PLC、变频器、触摸屏) | 
| 
					网络型PLC实训装置,PLC控制+变频+触摸屏+步进+伺服 | 
| 
					电气实训操作台(PLC+变频+电气控制+触摸屏) | 
| 
					电气与PLC可编程控制综合实训装置 | 
| 
					可编程控制综合实训装置 | 
| 
					PLC可编程控制器实训装置 | 
| 
					PLC可编程控制器实训装置 | 
| 
					自动化控制技能实训台 | 
| 
					物联网综合应用实训系统 | 
| 
					物联网工程综合应用实训装置 | 
| 
					物联网智能家居实训系统 | 
| 
					建筑智能物联网实训系统 | 
| 
电气控制PLC实训台 | 
| 
可编程控制器、单片机综合实训装置 | 
| 
电气控制与PLC技术一体化实训设备 | 
| 
可编程技术实训设备 | 
| 
单片机技术应用实训考核装置 | 
| 
PLC控制技术与组态技术实训装置 | 
| 
单片机应用创新实验平台 | 
| 
单片机控制功能实训考核装置 | 
| 
单片机技术应用实训考核装置 | 
| 
PLC可编程控制器实验装置 | 
| 
PLC控制及变频驱动技术教学实训装置 | 
| 
可编程控制器综合实训装置(PLC+变频+电气控制+触摸屏)S7-1200 | 
| 
PLC综合控制实训装置 | 
| 
电机装配与运行检测实训平台 | 
| 
网络型PLC可编程控制器综合实训装置(PLC+变频+电气控制+触摸屏) | 
| 
网络型可编程控制器实验装置(三菱) | 
| 
工业机械传动装调实训平台 | 
| 
工业数字化网络综合实训平台 | 
| 
工业运动控制技术实训装置 | 
| 
工业运动控制技术实训台 | 
| 
立体仓库实物教学实训装置 | 
| 
单片机控制二维运动实训设备 | 
| 
西门子工业控制与PLC综合实训平台 | 
| 
PLC可编程控制器实验箱 | 
| 
可编程控制器(S7-200SMART)实验室设备 | 
| 
西门子S7-1500实训设备,PLC+变频+电气控制+触摸屏 | 
| 
工业网络与组态实训装置 | 
| 
可编程电气控制综合实训装置 | 
| 
PLC网络综合实验平台 | 
| 
PLC可编程控制器综合实训装置(欧姆龙) | 
| 
可编程控制器实训装置 | 
| 
					可编程变频器及电气控制综合实训装置 | 
| 
					工业控制综合实训装置 | 
| 
					工业自动化通信网络实验台 | 
| 
					可编程控制器自动化教学装置 | 
| 
					变频技术实验设备 | 
| 
					工学结合PLC实训台 | 
| 
					(三菱PLC)综合实训装置 | 
| 
					西门子PLC控制综合实训装置 | 
| 
					PLC可编程变频调速综合实训装置 | 
| 
					PLC单片机变频调速综合实训装置 | 
| 
					PLC、变频器、电气控制、触摸屏实训装置 | 
| 
					cr40plc可编程控制器综合实训装置 | 
| 
					SB-PLC2可编程控制实验装置 | 
| 
可编程控制实验装置及单片机综合实验台  | 
| 
可编程控制器、单片机、自动控制原理综合实验台 | 
| 
可编程控制、微机接口及微机应用综合实验台 | 
| 
PLC变频器、伺服驱动器、步进电机驱动器实训装置 | 
| 
					工业自动化通讯网络实训系统 | 
| 
网络型PLC可编程控制实验装置 | 
| 
PLC可编程控制实训装置PLC+电气控制 | 
| 
网络型PLC可编程控制器综合实训装置  | 
| 
PLC变频器触摸屏培训设备 | 
| 
调速PLC可编程控制综合实训装置 | 
| 
PLC可编程控制器实验台(三菱FX3U-48MR、变频、触摸屏) | 
| 
					PLC可编程控制器、单片机开发应用及电气控制综合实训装置 | 
| 
					可编程控制器实训装置 | 
| 
					单片机应用综合实训平台 | 
| 
					PLC单片机实训台 | 
| 
单片机控制技术实训平台 | 
| 
单片机可编程控制综合实验装置 | 
| 
单片机技术开发平台 | 
| 
单片机开发综合实验装置 | 
| 
单片机开发应用技术综合实验装置 | 
| 
					单片机控制技术实训平台 | 
| 
创新型单片机和EDA设计综合实验开发装置 | 
| 
单片机•CPLD/FPGA开发综合实验装置 | 
| 
AB自动化控制实训装置 | 
| 
					单片机控制功能实训考核装置 | 
| 
					单片机开发系统、自动控制原理综合实验装置 | 
| 
					网络型可编程控制器(1500 PLC)实验装置 | 
| 
PLC可编程控制器实验装置 (PLC+伺服+变频器+电气控制+触摸屏) | 
| 
					工业数字化网络综合实训平台 | 
| 
					单片机应用实训考核装置 | 
| 
					单片机应用创新实验平台 | 
| 
					单片机技术应用实训考核装置 | 
| 
					网络型可编程控制器(1200 PLC)实验装置 | 
| 
					PLC单片机变频器触摸屏实训台 | 
| 
					PLC可编程控制技术综合实训装置(PLC、变频器) | 
| 
					网络型PLC可编程控制/微机接口及微机应用综合实验装置 | 
| 
					网络型PLC可编程控制器综合实训装置(PLC+变频ABB+电气控制+触摸屏) | 
| 
					网络型PLC可编程控制器综合实训装置(PLC+变频+电气控制+触摸屏) | 
| 
					网络型PLC可编程控制器、变频调速、触摸屏、电气控制及单片机实验开发系统综合实验装置 | 
| 
					网络型PLC可编程控制器、变频调速、触摸屏、电气控制及微机接口与微机应用综合实验装置 | 
| 
					可编程控制系统实训平台 | 
| 
					PLC实验实训台 | 
| 
					PLC可编程控制实验及单片机实验开发系统综合实验装置 | 
| 
					PLC可编程控制系统、单片机实验开发系统、自动控制原理综合实验装置 | 
| 
					PLC可编程控制系统、微机接口及微机应用综合实验装置 | 
| 
					计算机装调与维修技能鉴定装置 | 
| 
					计算机组装与维护实训装置 | 
| 
					信号与系统·控制理论·计算机控制技术实验台 | 
| 
单片机实训箱、 
					可编程控制器实验箱 | 
| 
					 工业机器人循环生产线实训装备 | 
| 
					 机器人实训装置 | 
| 
工业机器人拆装与调试实训台 | 
| 
机器人应用实训室设备 | 
| 
焊接机器人工作站 | 
| 
工业自动化实训平台 | 
| 
PLC可编程控制器综合实验装置 | 
| 
数字化工业控制实训平台 | 
| 
工业电气自动化及电工技能考核实训平台 | 
| 
可编程工业控制实训平台  | 
| 
					PLC综合实训台 | 
| 
三菱FX3G-40MR光机电一体化实训考核装置 | 
| 
西门子S7-1200光机电一体化实训考核装置 | 
| 
PLC可编程控制器综合实训装置 | 
| 
					工业自动化综合实训装置 | 
| 
					工业自动化综合实训装置(PLC+变频器+触摸屏+单片机) | 
| 
					工业全数字直流调速系统综合实训装置 | 
| 
变频调速系统开发平台 | 
| 
变频器工作原理实训设备 | 
| 
变频调速技术实训装置  | 
| 
					交直流调速实训装置 | 
| 
					工业电气综合实训装置 | 
| 
					工业自动化控制一体化实训室设备 | 
| 
工业自动化综合实训装置 | 
| 
					工业自动化综合实训装置(PLC+变频器+触摸屏+单片机) | 
| 
					工业自动化综合实训装置(西门子) | 
| 
					工业控制创新实训平台 | 
| 
					自动化生产线实训室设备 | 
| 
					工业全数字控制实训装置 | 
| 
					工业自动化综合实验考核装置 | 
| 
					工业电气自动化及电工电子技能考核实训平台 | 
| 
					工业运动控制技术实训台 | 
| 
					网络型plc综合实验平台 | 
| 
					工业控制与plc综合实训平台 | 
| 
					工业自动化网络控制平台 | 
| 
					可编程控制器(西门子)综合实训室 | 
| 
					可编程控制器(三菱)综合实训室设备 | 
| 
					液压传动实验台、液压PLC实验台、气动液压PLC实验台、电梯模型、智能建筑实验室设备 更多产品>> | 
| 
					液压传动测试实验台 | 
| 
					工业型液压综合实验台 | 
| 
PLC控制液压与气动综合实训装置 | 
| 
					液压元件拆装实训装置 | 
| 
液压与气压传动综合实训装置 | 
| 
液压气动PLC控制综合实训装置 | 
| 
实验教学用液压实验台(可视型) | 
| 
多功能气动教学实验台 | 
| 
液压气压传动与控制实训操作平台 | 
| 
透明液压传动与PLC实训装置 | 
| 
					液压与气压PLC控制综合实训装置 | 
| 
					透明液压与气动PLC控制综合实训装置(软件控制) | 
| 
					透明液压传动与PLC控制实训装置 | 
| 
					液压挖机与人机界面实训装置 | 
| 
PLC透明液压回路试验台 | 
| 
透明液压与气压传动综合实训装置(PLC控制、液压气动二合一) | 
| 
液压传动与PLC实训装置(工业型单面) | 
| 
PLC控制透明液压与气动综合实训装备 | 
| 
液压装载机实训系统 | 
| 
液压挖掘机实训系统 | 
| 
气动机械手实训考核装置 | 
| 
双面电气动PLC控制实训装置 | 
| 
气动传动实验台 | 
| 
液压传动基础实训箱 | 
| 
气动实训箱 | 
| 
基本液压传动实验台 | 
| 
液压传动实训台装置 | 
| 
气动机械手实训模型 | 
| 
透明液压传动与PLC实训装置 | 
| 
机电液气一体化实训平台 | 
| 
液压传动技术实验台 | 
| 
液压元件拆装实训台(实物) | 
| 
					液压传动与控制实验教学培训系统 | 
| 
					双面透明液压传动技术教学装置 | 
| 
					透明液压传动演示系统 | 
| 
液压传动实验台 | 
| 
					透明液压传动与PLC实训装置 | 
| 
					透明液压PLC控制实训装置 | 
| 
					气动PLC控制实训装置 | 
| 
					透明液压与气动传动综合实训装置 | 
| 
					多功能气动教学实训台 | 
| 
					工业型液压综合实验台 | 
| 
					PLC控制液压与气动综合实训装置(工业型) | 
| 
					透明液压传动与PLC控制实训装置 | 
| 
					透明气动PLC控制实训装置 | 
| 
液压控制综合实训装置 | 
| 
气动控制综合实训装置 | 
| 
					四合一透明液压传动演示系统 | 
| 
					液压与气压实验台 | 
| 
					透明液压传动与PLC实训装置(铝合金框架) | 
| 
叉车液压系统实训台 | 
| 
挖掘机液压系统与PLC控制实训装置 | 
| 
					透明液压PLC控制实验装置(挖掘机液压试验台) | 
| 
				液压挖掘机实训装置 | 
| 
					起重机械实训装置 | 
| 
					装载机液压系统与PLC控制实训装置 | 
| 
					起重机液压系统与PLC控制实训装置 | 
| 
					液压与气压传动PLC综合实训装置(工业型) | 
| 
					液压传动与PLC实训装置(工业型单面) | 
| 
					透明装载机实训台 | 
| 
					透明挖掘机实训台 | 
| 
					传感器实训设备、传感器实验设备、实验箱类、变频调速实验装置、工业自动化实训设备 | 
| 
工业传感器检测及控制实训台 | 
| 
工业传感器应用与检测综合实训台 | 
| 
传感器实训室,传感器技术实训装置 | 
| 
创新型测控传感器技术综合实验实训装置 | 
| 
传感与检测实训装置 | 
| 
检测与转换传感器技术实验仪(20种传感器) | 
| 
传感器技术实训装置 | 
| 
					传感器应用技术实验设备 | 
| 
传感器应用技术实训考核设备 | 
| 
					 传感器系统实验仪 | 
| 
					 传感器与检测技术实验台 | 
| 
					 传感器技术实验箱 | 
| 
					 增强型型检测与转换(传感器)技术实验装置 | 
| 
					压力传感器标定实验系统 | 
| 
					热电阻和热点偶温度传感器校验实验系统 | 
| 
					单片机传感器综合实验实训平台 | 
| 
					液体流量仪表标定实验系统 | 
| 
					压力控制测量实验装置 | 
| 
					液位流量控制实验装置 | 
| 
					气动薄膜控制阀与电气安装阀门定位调校实训置 | 
| 
					检测与转换(传感器)技术实验17种箱 | 
| 
传感器与检测技术实训装置 | 
| 
					创新型测控/传感器技术综合实验实训平台 | 
| 
流量控制测量装置 | 
| 
					智能温度控制实训装置,自动温度测控实验装置 | 
| 
多媒体工程制图设计实验室设备 | 
| 
					多功能升降式实用绘图桌 | 
| 
工程制图实验室设备 | 
| 
建筑工程制图实训室-土木工程实训室 | 
| 
钳工实验室成套设备 | 
| 
					焊工、铆工实操室成套设备 | 
| 
					焊接多功能实训实验室成套设备 | 
| 
					钳工实训室简介、钳工实训工作台 | 
| 
					机电一体化实验室设备、教学数控车床、教学数控铣床、透明电机模型、变压器模型  更多产品>> | 
| 
光机电一体化控制实训系统 | 
| 
机电一体化实训装置 | 
| 
自动生产线拆装与调试实训装置 | 
| 
机电一体化实训装置 | 
| 
工业自动化综合实训装置 | 
| 
煤矿自动化控制实训平台 | 
| 
机电一体化综合实训考核设备 | 
| 
基于PLC机电一体化实训平台 | 
| 
					自动化生产线实训考核装备 | 
| 
光机电气一体化控制实训平台 | 
| 
机电一体化综合实训实验系统 | 
| 
机电一体化系统综合实训平台 | 
| 
机电一体化综合系统实训装置 | 
| 
数字化工业机器人柔性生产线实训平台 | 
| 
MES网络型模块式柔性自动化生产线实训系统 | 
| 
					MPS模块式柔性自动化生产线实训系统(六站) | 
| 
					灌装自动化生产线实训装置,机电一体化技师实训考核装置 | 
| 
					机电一体化综合系统实训设备 | 
| 
					光机电一体化实训考核装置 | 
| 
					自动化生产线实训考核平台 | 
| 
					自动生产线实训装置 | 
| 
					智能控制技术实训台 | 
| 
自动化控制技术实训装置 | 
| 
智能机电一体化综合实训考核设备 | 
| 
机电一体化综合实训系统 | 
| 
光机电气一体化实训装置 | 
| 
电机故障诊断与维修检测实训考核装置 | 
| 
机床电路实训考核设备 | 
| 
机床电路实训设备 | 
| 
机床电气线路(四合一)考核实训装置 | 
| 
机床电气控制实训装置(柜式双面、四合一、四种机床) | 
| 
机电一体化综合实训室设备、机电液气一体化实训平台 | 
| 
数控设备维修实验室设备、数控机床电气故障检测实训台 | 
| 
机电技术综合实训考核装置 | 
| 
					光机电一体化实训考核装置 | 
| 
物料分拣实训装置 | 
| 
煤矿培训自动化试验台 | 
| 
自动生产线实训考核装置 | 
| 
工业自动生产线实训装置 | 
| 
机电一体化综合实训考核装置 | 
| 
					光机电一体化实训室设备、自动生产线实训室设备 | 
| 
柔性自动化生产线实训系统(六站) | 
| 
					机电一体化技术应用及趋势 | 
| 
					3D虚拟机床及机床线路实训装置 | 
| 
					机床电气控制技术实训台 | 
| 
					网络化智能型机床电气技能实训考核装置 | 
| 
					机床智能实训考核装置 | 
| 
					机床电气培训考核实验装置 | 
| 
网孔型万能机床电路实训考核鉴定装置 | 
| 
					数控铣床装调与维修考核实训设备 | 
| 
					数控车床电气控制与维修实训考核装置 | 
| 
					多系统数控机床虚实一体训练机 | 
| 
					机床电气实训智能考核装置(五种机床) | 
| 
					车床综合维修考核装置(各种系统) | 
| 
					精密双轴十字滑台实训设备 | 
| 
					数控铣床装调与维修实训台 | 
| 
					数控车床装调与维修实训台 | 
| 
数控加工中心实验室设备 | 
| 
					数控加工中心装调与维修考核实训设备 | 
| 
					数控车床装调与维修考核实训设备(GSK980TDi) | 
| 
					数控铣床装调与维修考核实训设备(广数GSK-980MDi) | 
| 
					数控车/铣床智能综合实训考核实验台 | 
| 
					电工技能实训考核柜 | 
| 
					机床电气控制技术及工艺实训考核装置(网孔板) | 
| 
					数控车铣复合机床、五轴五联动数控加工中心、五轴数控加工中心虚实一体训练机 | 
| 
					SINUMERIK 840DSL 五轴数控加工中心虚实一体训练机 | 
| 
					五轴数控加工中心虚实一体训练机 | 
| 
					数控机床故障诊断与维修实训装置 | 
| 
					步进电机交流伺服电动机驱动系统实验装置 | 
| 
					光机电气一体化控制实训设备 | 
| 
					光机电气一体化实训设备 | 
| 
					光机电一体化控制实训装置 | 
| 
					自动化生产线实训平台 | 
| 
					智能制造人才综合实训室建设方案 | 
| 
					机电一体化柔性生产线加工系统 | 
| 
					MPS模块式柔性自动化生产线实训系统(六站) | 
| 
					智能型万能机床电气实训考核鉴定装置 | 
| 
					变压器/电机控制综合实验装置 | 
| 
电机性能综合测试装置 | 
| 
电机与变压器维修实训设备 | 
| 
					电机变压器维修及检测实训装置 | 
| 
					电机故障诊断与维修检测实训考核装置  | 
| 
					电机电控配线安装装置 | 
| 
					机床电气控制实训装置 | 
| 
电机装配工技能实训装置 | 
| 
电机检修技能实训装置 | 
| 
					电机拆装与维修实训台 | 
| 
					模拟机床电气故障排除实训装置 | 
| 
					机电一体化生产线实训设备 | 
| 
					电气控制及PLC变频器电机实训装置 | 
| 
					智能型四合一机床电气控制实训台 | 
| 
					智能型四合一机床电气控制技能实训考核鉴定装置 | 
| 
					龙门刨床电气技能实训考核装置 | 
| 
					交流桥式起重机实训考核设备 | 
| 
					Z3040B摇臂钻床电气技能实训考核装置 | 
| 
					C650-2普通车床电气技能实训考核装置 | 
| 
					Z3050摇臂钻床电路智能实训考核台 | 
| 
					C6140普通车床电气技能实训考核装置 | 
| 
					M7120平面磨床电气技能实训考核装置 | 
| 
					T68镗床电气技能实训考核装置 | 
| 
					X62W万能铣床电气技能实训考核装置 | 
| 
					智能机床电路实训考核装置 | 
| 
					空间及平面机构综合实验台 
					
 更多产品>> | 
| 
					钳工技能实训考核平台 
					
  | 
| 
					工业机械传动装调实训平台 
					
  | 
| 
					机械传动装调综合实训平台 
					
  | 
| 
					机构运动创新设计方案拼装及仿真实验台 
					
  | 
| 
机械基础实训室设备,机械设计实训设备,机械传动实训台 | 
| 
五金冲压模、拆装模具、铝合金拆装实训模具、注塑模具、冲孔模、级进模、复合模 
 | 
| 
					机械基础综合实验室、机械设计实验室 | 
| 
					机构创新组合设计实验台 | 
| 
					机械运动创新方案拼装实验台 | 
| 
					零件尺寸误差测量组合实训装置 | 
| 
					零件形位误差测量组合实训装置 | 
| 
《几何体》实测绘图训练装置 | 
| 
《典型零件》实测绘图训练装置 | 
| 
《标准零件》实测绘图训练装置 | 
| 
《联接与配合》实测绘图训练装置 | 
| 
《千斤顶》实测绘图训练装置 | 
| 
《台虎钳》实测绘图训练装置 | 
| 
《齿轮泵》实测绘图训练装置 | 
| 
《减速器》实测绘图训练装置 | 
| 
测绘用装配体、齿轮泵、阀体及机件模型 | 
| 
减速器拆装教学模型 | 
| 
滚齿机教学模型 | 
| 
教学用插齿机实验台 | 
| 
					轮系创新设计拼装及仿真实验台 | 
| 
					机械传动方案优化综合测试实验台 | 
| 
					曲柄滑块导杆凸轮机构实验台 | 
| 
					螺栓与螺栓组联接综合实验台 | 
| 
创意组合机械系统装配训练综合实验平台 | 
| 
带传动效率测试分析实验台(基础型) | 
| 
液体动压滑动轴承实验台 | 
| 
便携式机械系统传动创新组合设计实验台 | 
| 
机械设计制造实训设备,自动化专业实训装置 | 
| 
曲柄导杆滑块凸轮测试实验装置 | 
| 
齿轮传动测试分析实验装置 | 
| 
链条与万向节传动测试实验装置 | 
| 
机械系统集成及参数可视化分析实验台 | 
| 
机械传动创意组合测试实验台 | 
| 
A型机械传动方案创意组合及参数分析实验台 | 
| 
B型机械传动方案创意组合及参数分析实验台 | 
| 
自动化夹具综合实验台 | 
| 
车刀量角仪 | 
| 
齿轮范成仪 | 
| 
机械元件陈列柜 | 
| 
					电机与变压器声动同步CD解说示教陈列柜 | 
| 
					机械基础声动同步CD解说示教陈列柜 | 
| 
					机械运动简图的测绘及分析实验模型 | 
| 
					机械零件20教陈列柜 | 
| 
					减速器声动同步CD解说示教陈列柜 | 
| 
					机械原理声动同步CD解说示教陈列柜 | 
| 
					机械制图16型陈列柜 | 
| 
模具示教陈列柜 | 
| 
金属切削示教陈列柜 | 
| 
					金属工艺学CD解说示教陈列柜 | 
| 
公差配合陈列柜
 | 
| 
钳工工艺学陈列柜 | 
| 
金属刀具陈列柜 | 
| 
					机床夹具设计陈列柜 | 
| 
					机械综合陈列柜《机械原理》《机械零件》《减速器》 | 
| 
车工工艺学陈列柜 | 
| 
机械设计基础陈列柜 | 
| 
机械设备拆装实训台 | 
| 
大型量具陈列柜 | 
| 
					《机械创新设计》示教陈列柜 | 
| 
					气动液压示教陈列柜 | 
| 
					机械原理实训设备,机械创新实训装置,机械设计实训设备,机械传动实训设备 | 
| 
					机械装调技术综合实训装置 | 
| 
					机械制图模型,机械制图教学模型 | 
| 
					机械制图立体示教模型、测绘模型画法几何投影箱 | 
| 
					《机械基础》(中国劳动社会保障劳动版) | 
| 
					机械设计拆装实验室,机械设计实验室 | 
| 
					公差与检测技术实训室 | 
| 
					机械系统搭接装配训练实验台 | 
| 
					透明电动机实训教学模型、变压器教学模型 | 
| 
					减速器拆装实验室,拆装实验用大型减速器教学模型(全铝制) | 
| 
					机械装调技术综合实训装置 | 
| 
					机械运动创新设计搭接实验台 | 
| 
					机械机构基础实验台、机构创新实验台、动平衡原理实验台、轴系结构实验箱、机构搭接测试实验台、齿轮范成 | 
| 
					透明五金冲压模拟机、透明液压注塑机演示模型、透明注塑成型模拟机、铝合金模具拆装模型 | 
| 
					机械装调技术综合实训装置、机械设备装调与控制技术实训装置、机械装配技能综合实训平台 | 
| 
					机械制图模型,机械机构模型,机械零件模型,机械原理模型,部件模型 | 
| 
					电机及电子专业实训室、电工技术实训室 |